
| ○ | 帶有并行接口的絕對值編碼器 | ○ | 磁感應 | |||
| ○ | 分辨率:可達12 位 | ○ | 同步或夾緊法蘭 | |||
| ○ | 可選預置輸入 | ○ | 可選方向輸入 | |||
| ○ | 供電:5…30VDC | ○ |
保護: 反向和過載保護 輸出短路保護 |
|||
| ○ | 空載電流:≤ 60mA(輸出無負載) | ○ | 接口:并行 | |||
| ○ | 分辨率(脈沖數/圈):可達 12 位 | ○ | 絕對精度:≤ ±0.35° | |||
| ○ | 檢測方式:磁式 | ○ | 編碼:格雷碼或二進制碼 | |||
| ○ |
輸入: 方向(順時針/ 逆時針) 預設(零位設定) |
○ |
旋轉方向: 輸出按順時針方向增加 (從軸向看去) |
|||
| ○ | 初始化時間:典型上電后60ms | ○ | 大響應頻率:10 kHz | |||
| ○ | 輸出容量:16mA(漏型/源型) | ○ | 輸出電路:推挽(可選開集) | |||
| ○ | 抗干擾:DIN EN 61000-6-2 | ○ | 發射干擾:DIN EN 61000-6-4 | |||
| ○ | 認證:CE | |||||
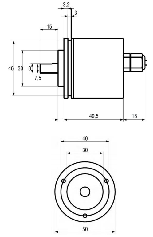
| ○ | 尺寸(法蘭) :φ50mm | ○ |
軸負載: ≤20N 軸向 ≤30N 徑向 |
|||
| ○ | 防護等級DIN EN 60529 IP54(可選IP65) | ○ | 運行轉速:≤3000 rpm | |||
| ○ | 運行轉矩:≤0.001Ncm | ○ |
材料: 外殼、法蘭:鋁 軸:不銹鋼 |
|||
| ○ |
軸徑:6, 8, 10, 12 mm (其它軸徑根據要求 ) |
○ | 壽命:2×109 轉(在100%軸承額定負載)(min) | |||
| ○ | 工作溫度:-20...+85 °C | ○ | 重量約:180g | |||

![]() |
![]() |